65QZ-40/45N灑水泵動力從哪來-灑水車配件銷售
簡介:65QZ-40/45N灑水泵動力從哪來-灑水車配件銷售
65QZ-40/45N灑水泵動力從哪來-灑水車配件銷售
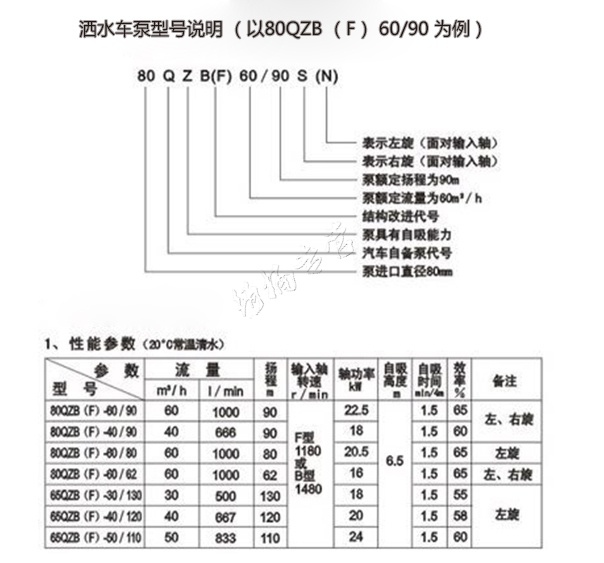
65QZ-40/45N灑水泵動力從哪來 灑水車灑水泵的動力來源:灑水車灑水泵進行工作時,其動力是由灑水車發動機通過取力器提供動力,再通過傳動軸來帶動灑水泵運轉,以使灑水泵進行自吸,然后再通過灑水泵壓力出水,經過灑水炮、前沖、灑水砣、噴頭等噴灑出水,進行澆花、沖洗道路。65QZ-40/45N灑水泵型號:65QZ-40/45、65QZF-40/45N、CLW65QZF-40/45N適用于8T以下車型流量:40m3/h或660L/min揚程:45m 輸入軸轉速:1450n/min軸功率:9.25KW 自吸高度:6.5m自吸時間:1.0min/5m 輸入軸旋轉方向:左旋轉






65QZ-40/45N灑水泵動力從哪來-灑水車配件銷售