6-10噸灑水車選用灑水泵-灑水車水泵配件-湖北程力
簡介:6-10噸灑水車選用灑水泵-灑水車水泵配件-湖北程力
6-10噸灑水車選用灑水泵-灑水車水泵配件-湖北程力
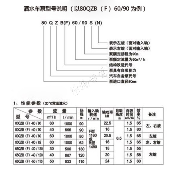
6-10噸灑水車選用灑水泵 夏日炎炎,又到了一年中最熱的季節了,空氣也變得干燥、燜熱。路邊的花草樹木極需水份,水泥路面和瀝青路面需要大量的水來噴灑。這個季節是灑水車最忙的季節,每天都要對道路進行灑水,對花草樹木進行澆灌。由于每天不停的工作,灑水車零部件極易損壞,購買時也出現各種難題。比如:6-10噸灑水車選用什么型號的灑水泵?這個問題被不少用戶問過? 首先,6噸以上的灑水車配用的是大功率灑水泵,其流量是60,揚程:90,功率:22.2KW。型號為:80QZF-60/90N自吸式灑水車泵





6-10噸灑水車選用灑水泵-灑水車水泵配件-湖北程力